欢迎光临深圳市晶联讯电子有限公司官网平台
当前位置
首页 > 产品中心 > 1.3寸128*64 OLED
站内搜索: 
JLX12864OLED-S130-PC(带字库)
品名:液晶模块
  
型号:JLX12864OLED-S130-PC(不带字库)
    
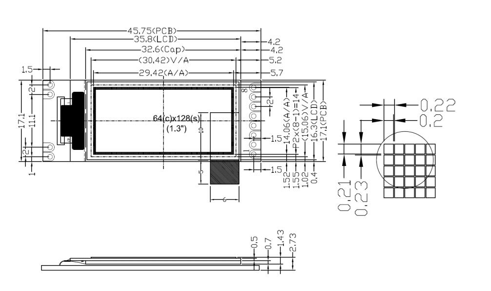
点阵:128*64  

外形尺寸:45.75*17.1*2.73mm 
 
视窗尺寸:30.42*15.06mm 

显示颜色: 黑底白字


IC: SSD1312
详情

1.产品结构


2.引脚功能


3.电路框图


4.产品特点

1. 结构牢:焊接式 FPC。
2. IC 采用 SSD1312,功能强大,稳定性好
3. 功耗低。
4. 显示内容:
●128*64 点阵单色图片;
●可选用 16*16 点阵或其他点阵的图片来自编汉字,按照 16*16 点阵汉字来计算可显示 8
字/行*4 行。
5. 指令功能强:可组合成各种输入、显示、移位方式以满足不同的要求;
6. 接口简单方便:IIC 行接口。
7. 工作温度宽:-40℃~+70℃;
8. 储存温度宽:-40℃~+85℃;


4.产品展示

JLX12864OLED-S130-PC(带字库)

联系方式
CONTACT US

电话:0755-29784961-811/13316827640  小姐

销售QQ:2172598530/2415961763

销售微信:13316827640

邮箱:2415961763@qq.com

网址:http://www.jlxlcd.cn

地址:深圳市宝安区航城街道簕竹角村天富安工业园5栋西2楼 


关闭
用手机扫描二维码关闭