应用范围: 适用于各种仪器仪表,工业自动化,通信设备系统,医疗系统,车载系统等.
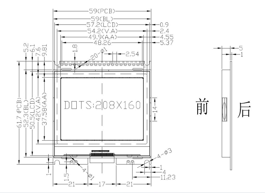
1.产品结构:

2.引脚功能:
(1)并行时接口引脚功能

(2)模块的串行接口引脚功能

(3)模块的 IIC 接口引脚功能

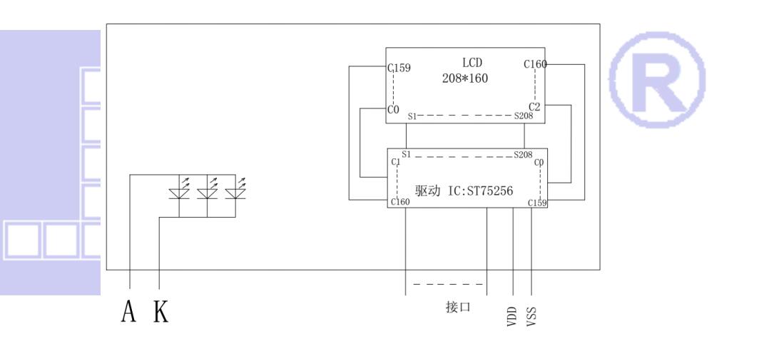
3.电路框图:

4.产品特点:
5.产品展示:






JLX208160G-9812-PN(不带字库)
电话:0755-29784961-811/13316827640 赖小姐
销售QQ:2172598530/2415961763
销售微信:13316827640
邮箱:2415961763@qq.com
网址:http://www.jlxlcd.cn
地址:深圳市宝安区航城街道簕竹角村天富安工业园5栋西2楼